Unlock Global Comms: Powerful 11dBi UHF SATCOM Antennas

L.Inkish 120 views
Unlock Global Comms: Powerful 11dBi UHF SATCOM Antennas

Unlock Global Comms: Powerful 11dBi UHF SATCOM Antennas

What’s the Deal with UHF SATCOM Antennas, Especially with 11dBi?

Alright, guys, let’s dive into something super cool and incredibly important for anyone who needs to stay connected when traditional communication methods fail: UHF SATCOM antennas . Specifically, we’re talking about those rocking an impressive 11dBi gain . If you’ve ever wondered how folks in remote areas, military personnel, or emergency responders manage to communicate across vast distances, often without any ground infrastructure, then you’ve hit the jackpot. These antennas are the unsung heroes of global communication, providing a lifeline when all else goes dark.

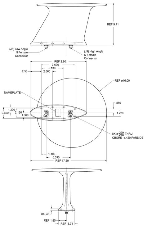
So, what exactly is a UHF SATCOM antenna? Simply put, it’s a specialized antenna designed to communicate with satellites using the Ultra-High Frequency (UHF) band. This frequency range, typically from 300 MHz to 3 GHz, offers a sweet spot for satellite communications, particularly for tactical and mobile applications. Why UHF, you ask? Well, it’s less susceptible to atmospheric attenuation and rain fade compared to higher frequencies, making it a reliable choice for challenging environments. Plus, the equipment tends to be more compact and robust. When you throw SATCOM into the mix, we’re talking about satellite communication – bouncing signals off geostationary or low-earth orbit (LEO) satellites to achieve truly global reach. This means you’re not relying on cell towers, fiber optic cables, or even line-of-sight terrestrial radio. You’re talking straight to space!

Now, let’s get to the 11dBi part, because this is where things get really interesting and why this specific gain figure is a big deal for UHF SATCOM antenna performance. The “dBi” stands for “decibels relative to an isotropic radiator.” In simpler terms, it’s a measure of an antenna’s gain or efficiency in a particular direction compared to a theoretical antenna that radiates energy equally in all directions. An 11dBi antenna isn’t just “good”; it’s a powerful piece of kit. It means that the antenna focuses its transmitted and received energy much more effectively in a specific direction, leading to a stronger signal at the satellite and a clearer signal back to your receiver. Think of it like a flashlight: a low-gain antenna is like a wide floodlight, spreading light everywhere but not very far. An 11dBi antenna is like a powerful spotlight, concentrating the light into a bright, far-reaching beam. This enhanced focus translates directly into extended range , improved signal quality , and greater reliability for your satellite communications, especially when you’re dealing with weaker satellite signals or operating in noisy RF environments. For military operations, disaster relief efforts, or scientific expeditions in the middle of nowhere, this kind of reliable, high-performance link is absolutely critical. It ensures that vital voice, data, and even low-bandwidth video can be transmitted and received without a hitch, keeping teams connected and operations running smoothly, no matter how remote their location. It’s truly a game-changer for remote communication needs .

The Superpower of 11dBi Gain in UHF SATCOM Performance

When we talk about an 11dBi UHF SATCOM antenna , we’re not just throwing numbers around; we’re highlighting a significant performance advantage that can make all the difference in mission-critical scenarios. The “gain” of an antenna, measured in dBi, is essentially how much it can boost your signal in a particular direction compared to an idealized, theoretical antenna. So, what does 11dBi really mean for your UHF SATCOM experience? It means you’re getting a seriously focused and powerful signal. This isn’t just a minor improvement; it’s a substantial leap in capability, offering a “superpower” for your communication setup.

First off, let’s talk about extended range . With an 11dBi gain, your antenna can “reach out and touch” satellites that might be too weak or too distant for lower-gain antennas. This is crucial for global communication , especially when you’re operating near the edge of a satellite’s footprint or trying to communicate with older, less powerful satellites. A higher gain effectively compensates for signal loss over long distances, ensuring your signal has enough punch to get to the satellite and that you can hear the faint return signals. This translates directly into reliable connections in places where others simply can’t get through. Imagine being deep in a jungle, isolated at sea, or high in the mountains – an 11dBi antenna gives you a much better chance of establishing and maintaining a stable link, keeping you connected to the outside world when it matters most.

Secondly, improved signal quality is a massive benefit. Higher gain doesn’t just make the signal louder; it makes it clearer. By focusing energy, an 11dBi antenna naturally enhances the signal-to-noise ratio (SNR). This means your desired signal from the satellite stands out much more prominently against background static and interference. In busy RF environments, or areas with a lot of electromagnetic noise, this is a lifesaver. A clearer signal reduces errors in data transmission, improves voice clarity, and ensures that critical information gets through accurately the first time. For data-intensive applications, even over a narrow SATCOM channel, this enhanced clarity is paramount, minimizing the need for retransmissions and speeding up effective communication. It’s about getting high-quality content through, not just any content.

Finally, and perhaps most importantly, is the concept of link reliability and robustness . An 11dBi UHF SATCOM antenna provides a more resilient link. It means less susceptibility to minor misalignments, less vulnerability to temporary obstructions (like moving vehicles or slight changes in terrain), and greater ability to maintain communication during adverse weather conditions. While UHF is already good with rain fade, a higher gain adds another layer of security. This robustness is critical for military operations where a dropped signal can have severe consequences, or for emergency responders coordinating efforts during a disaster. It means you can have greater confidence that your communication channel will remain open and functional when you need it most. This kind of satellite communication is not just about making a call; it’s about guaranteeing a vital connection under pressure. The signal gain provided by an 11dBi design empowers users to operate with a significant advantage, transforming challenging communication scenarios into manageable ones, making it an essential tool for anyone serious about off-grid connectivity.

Key Features and Benefits of a High-Performance 11dBi UHF SATCOM Antenna

When you’re looking at an 11dBi UHF SATCOM antenna , you’re not just buying a piece of hardware; you’re investing in a sophisticated tool designed for optimal performance in the most demanding environments. These antennas come packed with a variety of features that collectively deliver a host of benefits, making them indispensable for specialized applications. Let’s break down what makes these antennas stand out and why they’re such a crucial component for reliable global communication .

One of the most significant features is their inherent portability and rapid deployability . Many 11dBi UHF SATCOM antennas are designed to be lightweight, compact, and easily broken down into smaller components, fitting into a backpack or a small transport case. This design philosophy is critical for users who need to operate on the move, in remote locations, or in situations where quick setup is paramount. Think about special forces teams, disaster relief workers, or even intrepid explorers – they can’t lug around massive, heavy equipment. The ability to deploy an 11dBi antenna in minutes, often with minimal tools, means communication can be established almost instantly, a benefit that can literally save lives. The engineering behind making a high-gain antenna portable without compromising its performance is quite impressive, often involving clever folding mechanisms or modular designs. This portable antenna characteristic is a primary driver for its adoption in tactical scenarios.

Another key feature is their ruggedness and durability . These antennas are built to withstand the harshest conditions Mother Nature can throw at them – extreme temperatures, high winds, heavy rain, dust, and even physical shocks. Materials like aerospace-grade aluminum, reinforced composites, and weather-resistant coatings are commonly used to ensure the antenna functions flawlessly in deserts, arctic tundras, or humid jungles. This resilience means that once deployed, you can trust your UHF SATCOM antenna to keep working, reducing maintenance concerns and extending its operational lifespan, which is vital for long-duration missions. The robustness is not just about survival but about consistent performance under duress.

Furthermore, frequency range and polarization capabilities are often optimized. While operating in the UHF band, specific models might offer tailored frequency ranges to match particular satellite constellations or tactical needs. Many 11dBi UHF SATCOM antennas are designed for circular polarization (either right-hand circular polarization – RHCP or left-hand circular polarization – LHCP), which is highly advantageous for satellite communication. Circular polarization helps mitigate Faraday rotation, a phenomenon where the polarization of a signal rotates as it passes through the ionosphere, which can cause signal loss if both ends aren’t matched. By using circular polarization, the antenna can maintain a strong link even as the signal’s polarization shifts, further enhancing the signal quality and reliability of the connection.

The benefits extend across various user groups. For military and defense personnel , an 11dBi UHF SATCOM antenna offers secure, beyond-line-of-sight communication , essential for command and control, intelligence gathering, and logistical coordination in challenging operational theaters. For emergency services and disaster relief organizations , it provides an independent communication channel when local infrastructure is destroyed, enabling critical coordination and resource management. Journalists, researchers, and remote workers operating in unserved areas can leverage these antennas for essential data transfer and voice communication, ensuring they remain connected to their base of operations. The value to readers here is understanding that this technology isn’t just niche; it’s a foundational element for anyone who absolutely must communicate when conventional means are unavailable. The combination of high gain, portability, ruggedness, and optimized polarization makes an 11dBi UHF SATCOM antenna a truly high-quality content provider for signals, delivering unparalleled connectivity when it truly counts.

Selecting the Perfect 11dBi UHF SATCOM Antenna for Your Needs

Okay, guys, so you’re convinced that an 11dBi UHF SATCOM antenna is exactly what you need for your critical communication requirements. That’s awesome! But here’s the kicker: not all 11dBi antennas are created equal, and choosing the perfect one requires a bit of thought. It’s not just about the gain figure; it’s about matching the antenna to your specific application, environment, and operational needs. Making the right choice ensures you get the most out of your investment and achieve truly reliable global communication .

First up, consider your primary application . What are you going to use this UHF SATCOM antenna for? Are you a first responder needing to establish quick voice communications during a disaster? A military unit requiring secure data transfer from a forward operating base? A remote scientist sending back sensor data from an isolated field station? Or maybe an adventure enthusiast who needs a robust portable antenna for emergency contacts? Different applications will dictate different priorities. For instance, a first responder might prioritize rapid deployment and extreme portability, whereas a fixed remote site might lean towards a more robust, semi-permanent setup that prioritizes maximum uptime and durability against harsh weather. Think about the type of communication you’ll be doing most often – voice, data, or both – as this can sometimes influence auxiliary features or even the antenna’s form factor.

Next, think about the operating environment . This is super important! Will your antenna be exposed to extreme heat or cold? High winds? Constant rain or saltwater spray? Dust and sand? The ruggedness and durability of the antenna become paramount here. Look for specifications regarding ingress protection (IP ratings), operating temperature ranges, and wind loading. If you’re operating in a tactical field, you might need an antenna that can survive being dropped or quickly packed away. If it’s for maritime use, corrosion resistance is key. An antenna might have fantastic 11dBi gain, but if it can’t survive where you need to use it, it’s essentially useless. This ties into the high-quality content we’re trying to achieve with our signal.

Form factor and portability are also huge considerations. While many 11dBi UHF SATCOM antennas are designed to be portable, there’s a spectrum. Some might be collapsible Yagis that fold down impressively small, while others might be slightly larger helical designs. Consider the size and weight of the packed antenna – can it fit in your gear bag? Can one person carry and deploy it easily? How long does it take to set up? If you need to relocate frequently, quick setup and teardown times are non-negotiable. This also impacts ease of deployment , which is crucial for dynamic operations.

Don’t forget compatibility with existing equipment . Your new 11dBi antenna needs to play nice with your current SATCOM radio or modem. Check the connector types (N-type, BNC, etc.), impedance (typically 50 ohms), and any specific power handling capabilities if you’re using a high-power radio. While most UHF SATCOM gear adheres to common standards, a quick check can save you a lot of headaches later. Also, consider the mounting options – does it come with a tripod, or can it be easily mounted on a mast or vehicle?

Finally, budget is always a factor, but remember that with critical communication gear, investing in value often pays off in the long run. A slightly more expensive antenna that offers superior reliability and durability might save you significant operational costs or, more importantly, ensure mission success when a cheaper, less robust alternative would fail. Focus on the value to readers by emphasizing that a higher initial investment often translates to a lower total cost of ownership and, most critically, peace of mind regarding uninterrupted communication . Choosing the right 11dBi UHF SATCOM antenna means carefully weighing these factors to ensure it becomes a seamless and effective part of your communication ecosystem, providing the powerful signal you absolutely depend on.

Deployment and Best Practices for Maximizing Your 11dBi UHF SATCOM Antenna

Alright, team, you’ve got your awesome 11dBi UHF SATCOM antenna in hand – now what? Simply owning a high-gain antenna isn’t enough; knowing how to properly deploy and use it is absolutely critical to squeeze every last drop of performance out of it. We’re talking about maximizing your signal gain for the most reliable global communication . These best practices aren’t just suggestions; they are the bedrock of successful satellite communication , especially when you’re operating in challenging or remote environments.

First and foremost, site selection and line of sight are paramount. Unlike terrestrial radio, which might tolerate some obstacles, SATCOM requires a clear, unobstructed view of the satellite you intend to communicate with. This means no buildings, no dense foliage, no mountains, and certainly no large vehicles directly between your UHF SATCOM antenna and the satellite. Before deploying, do a quick visual survey of your surroundings. If possible, elevate your antenna. Even a few extra feet of height can make a huge difference, clearing minor obstructions and significantly improving your signal quality . Think about using a sturdy tripod or a temporary mast to get that portable antenna up high. Many apps are available for smartphones that can help you locate satellites in the sky, showing you their azimuth and elevation from your current position. This is a game-changer for quick and accurate pointing.

Next up, accurate aiming and polarization alignment are critical for an 11dBi antenna. Remember, high gain means a narrower beamwidth. This “spotlight effect” is great for concentrating power, but it also means you have to be more precise when pointing. Small aiming errors can lead to significant signal loss. Most UHF SATCOM antennas will come with instructions for assembly and aiming. Take your time, especially with the azimuth (horizontal) and elevation (vertical) adjustments. For circularly polarized antennas, ensuring the correct RHCP or LHCP alignment (often indicated by an arrow or marking on the antenna) is equally vital. Misalignment here can cause a 3dB loss or more, effectively halving your signal strength – and who wants to throw away that precious 11dBi gain? Some antennas may have a built-in compass or spirit level to aid in setup, so utilize them!

Cable management and connection integrity might sound mundane, but they are crucial for maintaining that powerful signal . Use high-quality coaxial cables with appropriate connectors (e.g., N-type or SMA) that are designed for the UHF frequency range. Avoid excessively long cable runs, as every foot of cable introduces some signal loss. If you must use a long run, consider using lower-loss cable types. Ensure all connectors are securely tightened and, if operating in wet or dusty environments, weatherproofed with tape or self-amalgamating silicone wrap. A loose or corroded connection can wreak havoc on your UHF SATCOM link, degrading your high-quality content and making your 11dBi antenna perform like a much lower-gain unit.

Finally, power considerations and external interference awareness play a big role. Ensure your SATCOM radio or modem is receiving stable power, especially during transmission, as power fluctuations can lead to intermittent operation. Also, be aware of potential sources of local electromagnetic interference (EMI) that could degrade your received signal. This could be anything from nearby generators, vehicle ignitions, or even other electronic devices. Try to position your 11dBi UHF SATCOM antenna away from such sources if possible. Regular checks of your antenna and cables for damage, especially after deployment in harsh conditions, will also extend its life and maintain its peak performance. By diligently following these best practices, you’ll ensure your 11dBi UHF SATCOM antenna delivers the unparalleled connectivity and value it promises, keeping you connected when it matters most, truly empowering your remote communication needs .

The Future Horizon: Innovations in UHF SATCOM Antennas

As we cruise through the amazing capabilities of today’s 11dBi UHF SATCOM antennas , it’s only natural to wonder: what’s next? The world of satellite communication is constantly evolving, driven by the relentless demand for faster, more reliable, and even more portable connectivity. The future of UHF SATCOM antenna technology promises exciting innovations that will push the boundaries of what’s possible, making global communication even more accessible and robust. This isn’t just about incremental improvements; we’re talking about potentially revolutionary advancements that will redefine how we connect from the remotest corners of our planet.

One major area of innovation is in advanced materials and manufacturing techniques . Think lighter, stronger, and even more efficient antennas. Researchers are exploring new composite materials that can offer superior strength-to-weight ratios, making portable antenna designs even more compact and easier to deploy without compromising durability. We might see self-healing materials that can repair minor damage on their own, or smart materials that adapt their properties based on environmental conditions. Additive manufacturing, like 3D printing, is also set to play a significant role. Imagine being able to print custom antenna components on demand, tailored for specific missions or even optimizing performance dynamically. This could lead to UHF SATCOM antennas that are not only incredibly lightweight but also highly robust and rapidly customizable, offering a new level of versatility for users in the field, ensuring high-quality content transmission every time.

Another exciting frontier is the integration of smart technologies and adaptive arrays . We’re already seeing the beginnings of “smart antennas” that can electronically steer their beams without physical movement. For 11dBi UHF SATCOM antennas , this could mean even faster satellite acquisition and tracking, automatically compensating for minor movements of the platform (like a vehicle or a person) or adjusting to changes in satellite position. Imagine an antenna that can re-optimize its signal gain and direction in real-time, constantly ensuring the strongest possible link. Beyond simple beam steering, adaptive arrays could incorporate advanced signal processing to actively suppress interference, further enhancing signal quality and reliability in congested environments. This would be a huge boon for remote communication needs , allowing for more consistent connections even in highly dynamic scenarios. These antennas could also integrate advanced diagnostics, providing users with real-time feedback on link performance and offering suggestions for optimization, making complex satellite communication simpler for the end-user.

Furthermore, we can anticipate a continued drive towards miniaturization and multi-band capabilities . While 11dBi gain typically requires a certain physical aperture, clever design and advanced electromagnetics are constantly finding ways to achieve similar performance in smaller packages. This is particularly important for drones, small autonomous vehicles, or individual soldiers where every ounce and inch counts. We might also see UHF SATCOM antennas that can seamlessly switch or operate across multiple frequency bands, offering greater flexibility and redundancy without needing to carry multiple antennas. Imagine one portable antenna that can handle UHF SATCOM, then quickly reconfigure for L-band or S-band if needed. This level of versatility would be truly transformative, especially for operations that demand adaptability.

In conclusion, the future of 11dBi UHF SATCOM antennas is bright and brimming with potential. From new materials and manufacturing methods to intelligent, self-optimizing designs and multi-functional capabilities, these advancements will continue to enhance the critical role these antennas play in ensuring uninterrupted global communication . For anyone relying on UHF SATCOM today, these upcoming innovations promise an even more powerful, reliable, and user-friendly experience, cementing their status as essential tools for connectivity in a connected yet often disconnected world, always striving to deliver the utmost value to readers through cutting-edge technology.

Conclusion: Your Gateway to Uninterrupted Global Communication

So, there you have it, folks! We’ve taken a deep dive into the world of UHF SATCOM antennas , specifically focusing on the impressive power and versatility that an 11dBi gain brings to the table. It’s clear that these aren’t just any antennas; they are vital pieces of technology that act as your unbreakable link to the outside world when all other communication channels fail or simply don’t exist. From the battlefield to disaster zones, from the most remote research stations to adventurous expeditions, an 11dBi UHF SATCOM antenna stands as a testament to human ingenuity in overcoming geographical and infrastructural barriers to ensure uninterrupted global communication .

We’ve explored how that 11dBi gain isn’t just a number; it’s a superpower that translates directly into extended range , improved signal quality , and an ironclad reliability for your satellite connections. This means clearer voice calls, faster data transfers, and a far greater chance of getting your critical messages through, even in the most challenging of circumstances. We also looked at the key features that make these antennas so special – their incredible portability , their rugged durability against the elements, and their optimized designs for specific frequency ranges and polarization. These characteristics combine to create a truly high-quality content delivery system for your signals, ensuring that your valuable information reaches its destination.

Choosing the right UHF SATCOM antenna means considering your specific application, the harshness of your environment, the importance of its portable antenna form factor, and its compatibility with your existing gear. It’s about making an informed decision that will provide the best value to readers and users, guaranteeing that your investment truly pays off when you need it most. And let’s not forget the crucial deployment best practices: finding that clear line of sight, precise aiming, meticulous cable management, and staying aware of potential interference. These steps are absolutely essential to unlock the full potential of your 11dBi UHF SATCOM antenna and ensure its powerful signal operates at its peak.

Looking ahead, the future of this technology is bright, with innovations in advanced materials, smart adaptive arrays, and further miniaturization promising even more incredible capabilities. These developments will continue to enhance the role of UHF SATCOM in connecting our world, making it even more resilient and accessible.

Ultimately, an 11dBi UHF SATCOM antenna is more than just an antenna; it’s a critical enabler of operations, a lifeline in emergencies, and a bridge across vast distances. It offers peace of mind, knowing that you can maintain essential communications when and where it truly matters. So, if you’re serious about staying connected off-grid or in demanding situations, investing in and understanding the power of an 11dBi UHF SATCOM antenna is one of the smartest decisions you can make. It’s your personal gateway to remote communication needs , ensuring you’re never truly out of touch.