Baofeng UV-82: Troubleshooting, Repair & Schematic Guide

L.Inkish 99 views
Baofeng UV-82: Troubleshooting, Repair & Schematic Guide

Baofeng UV-82: Troubleshooting, Repair & Schematic Guide

Hey there, radio enthusiasts and Baofeng UV-82 users! Ever found yourself scratching your head when your trusty radio starts acting up? Maybe the audio’s cutting out, the screen’s flickering, or it just won’t turn on. Well, you’re not alone! The Baofeng UV-82 is a popular, affordable handheld radio, but like any electronic device, it can run into issues. This guide is your go-to resource for understanding, troubleshooting, and even repairing your Baofeng UV-82. We’ll dive into the world of schematic diagrams , explore common problems, and give you the knowledge to get your radio back in tip-top shape. This article aims to equip you with the knowledge to diagnose and fix your radio, covering everything from the basics to more advanced repair techniques. Whether you’re a seasoned technician or a beginner, this guide will provide valuable insights and practical advice to keep your Baofeng UV-82 running smoothly. So, let’s get started and explore the inner workings of this fantastic little radio!

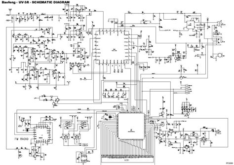
Understanding the Baofeng UV-82 and Its Schematic Diagram

Before we jump into the nitty-gritty of troubleshooting and repair, let’s get acquainted with the Baofeng UV-82 itself. This radio is a dual-band, dual-watch, and dual-display handheld transceiver. This means it can transmit and receive on both VHF and UHF frequencies and monitor two frequencies simultaneously. It’s a favorite among amateur radio operators (hams), outdoor enthusiasts, and anyone needing a reliable communication tool. Now, a schematic diagram , also known as a circuit diagram, is a visual representation of an electronic circuit. Think of it as a roadmap for the radio’s internal components and how they’re connected. It uses standardized symbols to depict resistors, capacitors, transistors, integrated circuits (ICs), and other essential parts. The diagram shows the flow of electrical signals and power throughout the radio, which is critical for understanding how it works and identifying potential issues. Knowing how to read a schematic can make your radio repair tasks much easier! Navigating a schematic diagram might seem intimidating at first, but with practice, you can learn to decipher the symbols and understand the circuit’s functionality. The diagram is divided into different sections, each representing a specific part of the radio, such as the power supply, the receiver, the transmitter, and the control circuitry. By understanding these sections, you can quickly locate the components related to a specific problem. For example, if your radio is not turning on, you can consult the power supply section of the schematic to investigate the power input, the battery contacts, and the voltage regulator. When you’re ready to start, you will need to find the appropriate schematic diagram for your Baofeng UV-82 model. Because there might be some minor variations, ensure the diagram matches your radio’s exact version. Numerous online resources offer schematic diagrams, and many ham radio forums and repair websites provide downloadable files.

Why a Schematic Diagram is Essential for Repair

Having the schematic diagram at hand is super important for a few reasons. First, it helps you identify the location and function of each component within the radio. When you’re trying to fix something, knowing where everything is and what it does is half the battle. Second, a schematic diagram allows you to trace the signal paths and understand how different parts of the circuit interact. This is crucial for diagnosing complex issues. For example, if your radio isn’t transmitting, you can use the schematic to follow the signal path from the microphone input to the antenna connector and pinpoint any faulty components along the way. Thirdly, the schematic diagram is essential for component replacement. When a part fails, the diagram gives you information about its value, voltage ratings, and other specifications, so you can choose a suitable replacement. Without the schematic, you might find yourself guessing and risk further damage to your radio. Plus, a schematic diagram enables you to perform more advanced repair tasks, such as measuring voltages and signal waveforms at various points in the circuit. These measurements can reveal the root cause of a problem that is not easily detectable by visual inspection. So, in summary, the schematic diagram is your best friend when it comes to repairing your Baofeng UV-82. By studying it carefully and using it as a reference, you can save money, learn more about your radio, and gain a sense of accomplishment by fixing it yourself!

Common Baofeng UV-82 Problems and Their Solutions

Now, let’s get down to business and discuss some common problems you might encounter with your Baofeng UV-82. We’ll also provide some troubleshooting tips and potential solutions for each issue. Remember, before starting any repair, always disconnect the radio from the power supply and remove the battery. You should also ensure you have the appropriate tools, such as a multimeter, soldering iron, and various screwdrivers. Safety first, guys!

Radio Won’t Turn On

This is perhaps one of the most frustrating problems. If your radio is unresponsive, there are several things to check. First, make sure the battery is charged and correctly inserted. Sometimes, it’s as simple as that! Check the battery contacts for corrosion or damage. Clean them if necessary. Next, examine the power button. Is it functioning correctly? Try pressing it firmly and multiple times. If these simple checks don’t work, then you should get the schematic diagram to help you diagnose the power supply circuit. Use your multimeter to check the voltage at the power input terminals. If there is no voltage, there might be a problem with the battery or the charging circuit. If the voltage is present, then investigate the voltage regulator on the main board. This component steps down the voltage to the levels needed by the radio’s internal circuits. You should also check the fuse. If the fuse is blown, it’s a clear indication of a problem in the power supply. A blown fuse often means there’s a short circuit somewhere, so you will need to find the cause of the short before replacing the fuse. Finally, always rule out the possibility of a damaged power switch. Sometimes the switch gets worn out and stops making good contact. Replace the power switch if necessary.

No Audio or Distorted Audio

Problems with audio can make your radio useless. If you can’t hear anything, or the audio is garbled, it’s time to investigate. The first step is to check the volume settings. Make sure the volume is turned up and not muted. Next, check the speaker. Is it damaged? Does it produce sound when tested? If the speaker is fine, then the problem is probably further inside the radio’s circuitry. Using the schematic diagram, you should trace the audio signal path from the receiver’s audio output to the speaker. This will guide you to the faulty components. Check the audio amplifier circuit. This circuit amplifies the audio signal before sending it to the speaker. Check the components, such as transistors, capacitors, and resistors, in this circuit. Use a multimeter to measure voltages and check for any short circuits. The amplifier IC is often the culprit in no-audio scenarios. Replacing the IC might solve the problem. If the sound is distorted, then there might be a problem with the amplifier or the audio processing circuits. Low battery voltage can also cause distorted audio. So, make sure the battery is fully charged. Inspect the audio filtering components, such as capacitors, for damage. Bad capacitors can cause distortion. Replace any damaged capacitors.

Radio Not Transmitting or Receiving

This is a serious issue that can impact the radio’s functionality. If your radio can’t transmit or receive, you have to do some in-depth troubleshooting. First, check the antenna. Make sure it’s securely attached and not damaged. You can also test your radio by trying to communicate with another radio. Make sure both radios are on the same frequency and that the transmit power settings are appropriate. If the radio can’t receive, use the schematic to trace the signal path from the antenna to the receiver section. Look for faulty components such as RF amplifiers, mixers, and oscillators. Use a multimeter to measure the voltages at various points in the circuit to check for any abnormalities. If the radio can’t transmit, then trace the signal path from the microphone input to the antenna connector. Inspect the transmitter’s components. Check the power amplifier, the modulator, and the frequency synthesizer for any faults. Perform a visual inspection of the circuit board for any damaged or broken solder joints. Reflowing the solder on the board might fix the problem. Sometimes, the radio might transmit but not receive. This might indicate an issue with the receiver section of the radio. Replace any faulty components.

Display Issues and Backlight Problems

If the display on your radio is not working correctly, it’s hard to use the device. If the display is blank, then there might be a problem with the display driver circuit or the display itself. Check the connections between the display and the main board. Make sure the display cable is securely connected. If the display is dim, then the backlight may be faulty. The backlight is typically an LED array. Replace the LED array if necessary. If the display is showing garbled characters or strange symbols, there could be a problem with the display driver IC or the display controller. Carefully inspect the circuit board for any signs of damage, such as water damage or corrosion. If the display is partially working, then the problem may be isolated to specific segments or pixels. Check the solder joints and connections on the display itself and on the display driver circuit board. You may need to replace the LCD screen, or the display driver IC. Refer to the schematic to identify the components involved in the display circuit and the backlight circuit. This will help you locate the fault and make the necessary repairs.

Baofeng UV-82 Disassembly and Component Identification

Before you start any repair, you will need to open up your Baofeng UV-82. Disassembly is a critical step in the repair process because it allows you to access the radio’s internal components. Here’s how to do it safely. First, make sure the radio is powered off and the battery has been removed. Then, locate the screws that hold the radio’s casing together. These are usually on the back and sides of the radio. Carefully unscrew them. Some models might have hidden screws under the battery clip or rubber covers. Remove the casing. You might need a thin tool to gently pry apart the case halves. Inside, you’ll find the main circuit board and various components. Take photos as you disassemble the radio to remember where everything goes. This can be super helpful when you’re putting it back together! Once you have the radio disassembled, it’s time to identify the components. Use the schematic diagram to help you identify each part. If you’re replacing a component, note its value, voltage rating, and other specifications. Use a magnifying glass to look for any broken or damaged components, such as cracked capacitors or burnt resistors. This detailed inspection is essential for locating the cause of the problem. Some components are easily identifiable, such as resistors and capacitors, which have their values printed on them. Others, such as integrated circuits (ICs), have codes that allow you to identify their function. You can use online resources or datasheets to look up information about the components. Always make sure you understand how to safely handle electronic components, to prevent any further damage. With practice and patience, you’ll become more familiar with the internal components of your Baofeng UV-82.

Tools and Techniques for Baofeng UV-82 Repair

Having the right tools is critical to repair any electronic device. Here’s a list of essential tools you’ll need for your Baofeng UV-82 repairs, and some techniques that will make your work much easier. A good multimeter is your best friend when troubleshooting. It allows you to measure voltage, current, and resistance. Make sure you know how to use it safely and effectively. A soldering iron and solder are essential for replacing components. Get a temperature-controlled soldering iron for more control and to avoid damaging the components. Various screwdrivers, including Phillips head and flathead screwdrivers, are needed to open the radio. A set of precision screwdrivers will be especially helpful. You might also need a heat gun or hot air rework station to remove or install surface-mount components. A magnifying glass helps you see the small components and any damage more easily. A desoldering pump or desoldering wick is helpful for removing solder from the circuit board, especially when replacing components. Small pliers, tweezers, and wire cutters are handy for manipulating components and wires. Safety glasses and gloves will keep you safe. Now, let’s look at some techniques that are vital for radio repair. Soldering is probably the most used technique. It involves using heat to melt solder and connect components to the circuit board. Always make sure the soldering iron tip is clean and tinned to ensure a good solder joint. When desoldering components, be patient and avoid applying too much heat, which can damage the components. When working with small components, use tweezers to hold them in place while soldering. Always apply flux to the solder joints. This improves the solder flow and ensures a reliable connection. Always remember to test your work after each repair step. Use the multimeter to check for continuity and to verify the voltages at key points in the circuit. Take your time, and don’t rush the repair process. This will help you avoid making mistakes. By mastering these tools and techniques, you’ll be well-equipped to repair your Baofeng UV-82.

Where to Find Baofeng UV-82 Schematic Diagrams and Replacement Parts

Finding the right resources is essential to repairing your Baofeng UV-82. First, you’ll need the schematic diagram. You can often find them on ham radio forums, online repair communities, and websites that specialize in radio schematics. Always double-check that the schematic matches your radio’s specific model and version. Next, you need replacement parts. Start with online electronics retailers, such as Digi-Key or Mouser. These retailers carry a wide variety of electronic components. Make sure you order the correct replacement parts for your radio! Many ham radio supply stores also sell components and replacement parts. Check your local stores, if available. Another option is to salvage parts from old electronics. This can be a cost-effective way to get the components you need, but be sure to test the components before using them. Make sure to use the correct part number when ordering replacement parts. The part number can often be found on the component itself or in the schematic. If you’re unsure about the component specifications, consult the datasheet for that component. When ordering parts online, compare prices from different vendors to ensure you get the best deal. Also, check the shipping costs and lead times. Some parts might take longer to arrive than others. Always double-check the components that are being shipped to ensure that you get the correct parts for your radio. Finally, don’t forget the online forums and communities. These are great places to ask questions, get advice, and share your repair experiences.

Conclusion: Keeping Your Baofeng UV-82 Alive

So, there you have it, guys! We’ve covered a lot of ground in this guide, from understanding the Baofeng UV-82 and its schematic diagram to tackling common problems, disassembly, component identification, and repair techniques. Remember, the key to successful radio repair is patience, a good understanding of electronics, and a willingness to learn. Don’t be afraid to take your time and refer back to this guide as needed. Always prioritize safety and double-check your work. Armed with the knowledge and tools we’ve discussed, you can diagnose and repair many of the problems that might arise with your Baofeng UV-82. By learning to read the schematic, you’re not just fixing a radio; you’re gaining valuable skills that can be applied to many other electronic devices. Remember, the more you practice, the better you’ll become! Happy repairing, and 73!